Осветление
Ключове и контакти
Интелигентни системи и продукти
Решения за работни места и офиси
Разклонители и адаптери
Щепсели, щекери и ключета
Удължители и удължители на макари
Кабели | Нагревателни контури
Инструменти
Електроинсталационни материали
Електроапаратура
Табла
UPS - Непрекъсваемо захранване
Клеми
Сензори и датчици
Вентилатори
Звънци
Зарядни станции
Аудио и Видеодомофони
Алармени системи
Системи за видеонаблюдение
Активна мълниезащита
Газдетекция и сигнализация
Пожароизвестяване
Светлоизточници
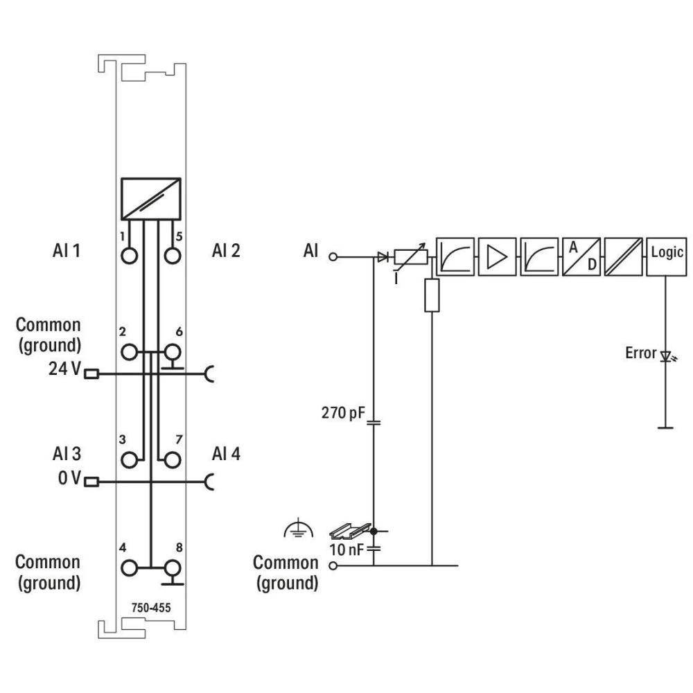
Начало Електроапаратура Контролери и входно-изходни модули 750-455 4-канален аналогов вход; 4 … 20 mA; Несиметричен Wago
0 мнения
750-455 Wago 4-канален аналогов вход; 4 … 20 mA; Несиметричен
751-9301 Компактен Контролер 100; 8DI 4DO 2AI 2AO 2NI1K/PT1K 1RS485; 2 x ETHERNET; SD Wa...
750-466 2-канален аналогов вход; 4 … 20 mA; Несиметричен Wago...
750-515 4-канален релеен изход; AC 250 V; 2,0 A; Безпотенциален; 4 NO контакта Wago...
762-6203/8000-001 Сензорен панел 600 7.0";800x480 пикс.2 x ETHERNET,2xUSB,аудио;Visu Pan...
750-626/040-000 Филтър на захранването; 24 VDC; По-висша изолация; Extreme Wago...
750-1405/040-000 16-канален цифров вход; 24 VDC; 3 ms; Extreme Wago
750-1515/040-000 8-канален цифров изход; 24 VDC; 0,5 A; 2-проводна връзка; Extreme Wago...
750-8212/040-001 Контролер PFC200; 2-ра генерация; 2 x ETHERNET, RS-232/-485 Wago...
750-333 Fieldbus куплер ROFIBUS DP; 2-ра генерация; 12 MBd Wago
750-375 Fieldbus куплер PROFINET IO; 3-та генерация; Advanced Wago